全国服务热线400-990-7385
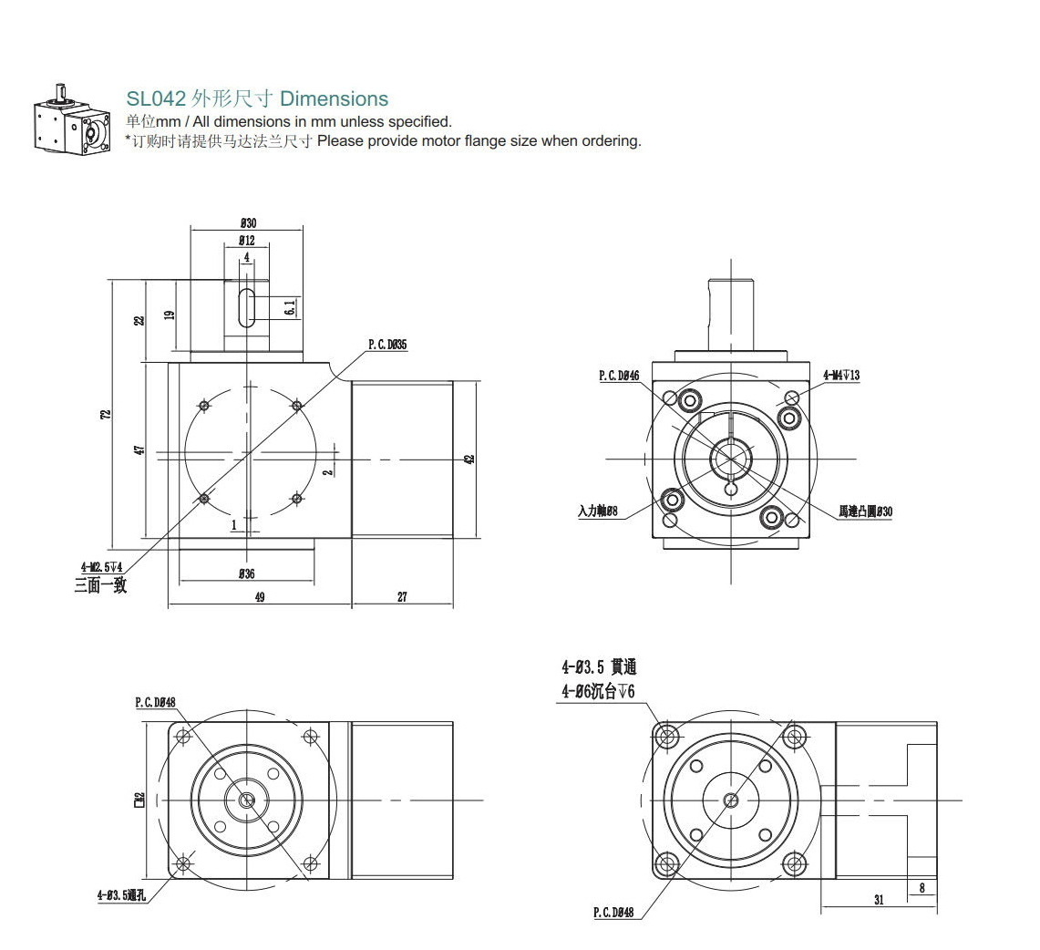
西马格转角器可以用在中空旋转平台或行星减速机转向使用.也可以做为伺服电机的转向器。其型号有SL042,SL060,SL090,减速比有1:2,1:3,1:5。转角器的扭矩分别为12NM,48NM,95NM.另可开发订制特殊型号行星减速机转角器。
西马格动力科技有限公司
全 国 热线:400-990-7385邮编:511400
浙江西马格:18357212618
福建西马格:18160919225
广东西马格:18302020760
邮箱:postmaster@siemage.com网 址:http://www.siemage.cn
快速链接
>网站首页 > 关于我们 > 公司概况
> 下载中心 > 新闻资讯 > 联系我们
Copyright © 2008 西马格动力科技有限公司 All Rights Reserved. 粤ICP备2003022145号
粤公网安备 44011302003923号